联系邮箱: sengui@sgv.cc|English|русский

EG6B41J英标常闭式气动衬胶隔膜阀
型号 | 公称压力 PN(Mpa) | 试验压力PS(Mpa) | 适用介质 | 工作温度(℃) | |
EG6B41WJF-6 | 0.6 | 0.9 | 0.66 | W.非腐蚀性流体 J·一般腐蚀性流体 FS。强酸碱及各种有机溶剂 (溶融碱金属元素氧除外) | ≤100 ≤85 ≤150 |
EG6B41WJF-10 | 1.0 | 1.5 | 1.1 | ||
EG6B41WJF-16 | 1.6 | 2.4 | 1.76 | ||

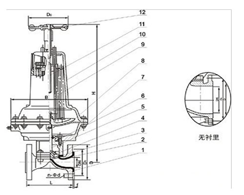
型号 | 公称通径 DN(mm) | 尺寸(mm) | 气动装置 | 重量 (㎏) | |||||||||||
L | f | D1 | D | D0 | n-d | H | B | 代号 ES | 耗气量(cm3) | 气源压力(MPa) | 气源接头(in) | ||||
J型 | W型 | ||||||||||||||
EG6B41WJF-16 | 20 | 121 | 117 | 2 | 75 | 105 | 120 | 4-13.5 | 168 | 61 | 163.87 | 0.3 | 1/8 | 7.2 | |
25 | 131 | 127 | 2 | 85 | 115 | 120 | 4-13.5 | 394 | 168 | 61 | 196.65 | 0.3-0.4 | 1/8 | 8.9 | |
32 | 150 | 146 | 2 | 100 | 140 | 120 | 4-17.5 | 400 | 168 | 61 | 229.4 | 0.3-0.4 | 1/8 | 10.6 | |
40 | 163 | 159 | 2 | 110 | 150 | 165 | 4-17.5 | 485 | 260 | 62 | 1425.7 | 0.3-0.4 | 1/4 | 19.5 | |
50 | 194 | 190 | 2 | 125 | 165 | 165 | 4-17.5 | 635 | 318 | 63 | 2284.1 | 0.3-0.4 | 1/4 | 34.9 | |
EG6B41WJF-10 | 65 | 220 | 216 | 2 | 145 | 185 | 165 | 4-17.5 | 650 | 318 | 63 | 3048 | 0.3-0.4 | 1/4 | 39.9 |
80 | 258 | 254 | 2 | 160 | 200 | 165 | 8-17.5 | 660 | 318 | 63 | 3244.7 | 0.4-0.5 | 1/4 | 51.9 | |
100, | 309 | 305 | 2 | 180 | 220 | 280 | 8-17.5 | 816 | 425 | 64 | 6964.5 | 0.4-0.5 | 3/8 | 93.2 | |
125 | 362 | 356 | 3 | 210 | 250 | 280 | 8-17.5 | 825 | 425 | 64 | 7439.7 | 0.4-0.5 | 3/8 | 105.3 | |
150 | 412 | 406 | 3 | 240 | 285 | 310 | 8-22 | 1013 | 549 | 65 | 14912 | 0.5 | 3/8 | 184.5 | |
EG6B41WJF-6 | 200 | 529 | 521 | 4 | 295 | 340 | 483 | 8-22 | 1300 | 749 | 66 | 49161 | 0.5 | 1/2 | 407.4 |